在苹果9月7日的发布会上,一个有关苹果手表扬声器防水的设计,引发了与会者的赞叹声。苹果通过一种自行开发的扬声器排水技术,实现了扬声器的高度防水。日前,苹果被授予两个和苹果手表有关的,其中就包括了这个扬声器排水设计。

在今年的秋季发布会上,优秀的防水性能成为苹果推介第二代苹果手表的重大亮点,二代手表可以在水下50米使用,另外游泳运动员也可以长时间佩戴,进行各种运动参数的记录。
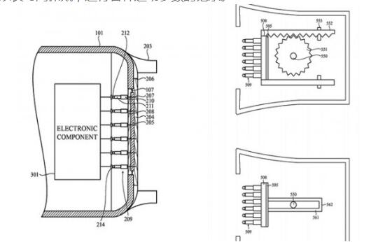
苹果手表上配置了扬声器。众所周知的是,扬声器是靠空气震动来产生声音,因此扬声器和高度防水设计存在冲突。而苹果研发出了一种新技术,能够让扬声器自动排水。
据美国科技新闻网站AppleInsider报道,美国专利商标局日前已经向苹果正式授予了这一专利,专利名称为“通过缝隙排出液体”。
据悉,苹果第一次申请这一专利是在2014年5月,苹果的专利发明人包括了三个人,分别是Stephen P. Zadesky, Fletcher R. Rothkopf和Ashley E. Fletcher。
在传统的扬声器设计中,许多智能手机等电子设备的用户往往会遭遇扬声器进水的问题,有时甚至导致设备无法使用。据报道,在过去的防水设计中,厂商往往考虑如何不让水进入设备内部,而苹果上述的专利设计具有独到之处,即首先让水进入,然后依靠声波等方式,把水分挤压出来。
在具体使用中,用户佩戴苹果手表在游泳完毕之后,手表能够自动启动排水程序,此时会有声音和震动,整个过程只需要两秒时间。
除了扬声器排水之外,苹果还获得了另外一个手表有关的专利,但是这一专利目前还没有开发出实用功能。
据悉,这一专利涉及到便携式电子设备的连接器,即在苹果手表插入表带的位置,苹果将会保留一个“诊断接口”,共有6个连接点,这一接口未来能够扩大苹果手表的功能。
苹果手表第一代发布之后,引发了外界争议,除了处理器性能差、软件运行太慢之外,该手表功能和用户界面太过于杂乱,反倒是缺乏让用户心动的杀手级功能。而在此次发布第二代苹果手表之时,苹果已经吸取了第一代的教训。
在整个发布会中,苹果始终强调了苹果手表在一个领域的重要用途——体育运动。除了游泳级别的高防水性能之外,苹果也植入了GPS芯片,能够实现精确的距离统计,甚至推出面向跑步、户外徒步活动的地理、路线等软件。苹果也邀请耐克公司人士,对于跑步领域的应用进行了详细介绍。可登入一品标局查阅更多专利申请新闻。 温馨提示:文中部分图片来源于网络,版权属于原作者,侵删,谢谢!
便捷链接:扬声器排水设计,苹果黑科
本文来源:网络?买卖商标注册授权入驻“天猫”“京东”“拼多多”“抖音头条”“商标百科”
版权说明:上述为转载或编者观点,不代表亿佰倍懂商标意见,不承当任何法律责任
亿佰倍懂商标官方微信
欢迎关注亿佰倍懂
微信号:K58158 热门TAGS
购买上海商标 商标复审 商标撤三答辩 商标驳回复审 国际商标驳回 知名商标转让 白酒商标网 19类商标转让 18类商标转让 17类商标转让 16类商标转让 15类商标转让 14类商标转让 13类商标转让 11类商标转让 12类商标转让 10类商标转让 9类商标转让 8类商标转让 7类商标转让 6类商标转让 5类商标转让 4类商标转让 3类商标转让 2类商标转让 1类商标转让 T恤商标转让 红酒商标转让 黄酒商标转让 水饺商标转让 糖果商标转让 闲置商标转让 商标购买网站 月饼商标转让 购买月饼商标 购买牛奶商标 牛奶商标转让 购买餐饮商标 餐饮商标转让 啤酒商标转让 购买啤酒商标 购买酒类品牌 酒类品牌转让 购买饮料商标 饮料商标转让 食品商标转让 购买食品商标 购买镀膜商标 镀膜商标转让 机油商标转让 购买机油商标 头枕商标转让 购买头枕商标 车衣商标转让 购买车衣商标 购买车贴商标 车贴商标转让 凉垫商标转让 睡袋商标转让 包子商标转让
联系方式
【商标网】
企业QQ:1728988888
手机: 18211558558
官方微信:K58158
广东(总部)北京(分部)深圳(分部)

*截止
,共有人阅读了本文。


40
加工服务